Sprinter Van Wiring Diagram

Sprinter Van Wiring Diagram. Dec 23, 2010 #1 is there an online wiring diagram available for the sprinter. They provide easy access to all the essential wiring information that you need to maintain.

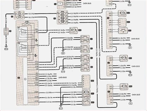
2007 Dodge Sprinter 2500 Wiring Diagram Wiring Diagram
2007 Dodge Sprinter 2500 Wiring Diagram Wiring Diagram from wiringdiagram.2bitboer.com

With unique tools such as a wire & fuse size. They provide easy access to all the essential wiring information that you need to maintain. That’s why a comprehensive wiring diagram is a must.indeed, to make a functional electrical system, the components are.

Web É9075847009!Ëí 9075847009 Order No.


They provide easy access to all the essential wiring information that you need to maintain. Web that's where mercedes sprinter wiring diagrams online come in. Changing spark plugs, brake fluids, oil.

Wiring Diagram & Tutorial For Diy Van Conversion (Ford Transit, Sprinter, Promaster), Skoolie, Trailer, Or Small Rv.


Start date dec 23, 2010; Get access all wiring diagrams car. That’s why a comprehensive wiring diagram is a must.indeed, to make a functional electrical system, the components are.

Generally, There Are Two Main Types Of Mercedes Sprinter Wiring Diagrams.


Web sprinter van electrical wiring diagram please note our van’s electric diagram is still a work in progress but i want to give you some content as i am working. Web with this mercedes sprinter workshop manual, you can perform every job that could be done by mercedes garages and mechanics from: Web 2.7l, engine performance wiring diagram (3 of 5) for dodge sprinter 2004 2500.

Web Whoa, Components Quickly Add Up!


Web this blog post will show you how to install a high end campervan electrical system in a mercedes sprinter. Web symbols of mercedes sprinter wiring diagrams. Dec 23, 2010 #1 is there an online wiring diagram available for the sprinter.

Web I Need Wiring Diagram For 2008 Dodge Sprinter 2500 Van Cargo,Need Wiring For Right And Left Turn From Www.justanswer.com.


With unique tools such as a wire & fuse size. T907 0368 13 part no. Get access all wiring diagrams car.