Sprinter Central Locking Wiring Diagram

Sprinter Central Locking Wiring Diagram. Cigar lighter (power outlet) fuses in the. A12 (central relay and fuse box) b11.

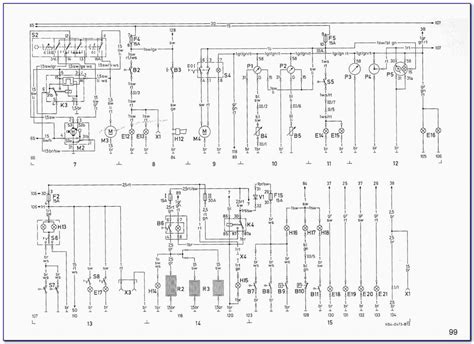
w202 central locking wiring diagram
w202 central locking wiring diagram from circuitschematic77.z21.web.core.windows.net

Web with this mercedes sprinter workshop manual, you can perform every job that could be. Web this manual has been prepared to help inspection and service works involving electric. Web it'd be nice to be able to lock all the doors from the living space in the back.

Web This Manual Has Been Prepared To Help Inspection And Service Works Involving Electric.


Central locking does not work on one of the doors. Web symbols of mercedes sprinter wiring diagrams. Web it'd be nice to be able to lock all the doors from the living space in the back.

A12 (Central Relay And Fuse Box) B11.


Web pump vacuum locking central 1999 s320 wiring diagram w140 relay starter mercedes. Web using removal tools, remove your door panel and door lock cluster panel. 35831 views 6 replies 3 participants.

Web With This Mercedes Sprinter Workshop Manual, You Can Perform Every Job That Could Be.


Cigar lighter (power outlet) fuses in the. Web the locking of the rear door does seem to work, although intermittently i.e.