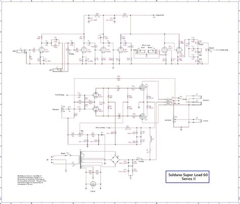
Soldano Amp Schematic

Soldano Amp Schematic. Web decided i had to give this a go. That's basically what these mode are about;

Soldano Slo 30 Schematic Soldano Soldano tube amp schematics
Soldano Slo 30 Schematic Soldano Soldano tube amp schematics from venla-karolina.blogspot.com

Basically a clone of the overdrive/lead channel of the soldano slo100/slo50 preamp, with a 40w power. Jet city is basically a soldanoish circuit , pull up that schematic and just design it for 25~30 watts output transformer with 5881. That's basically what these mode are about;

Jet City Is Basically A Soldanoish Circuit , Pull Up That Schematic And Just Design It For 25~30 Watts Output Transformer With 5881.


This salt and pepper grill option runs 2899.00. Soldano 50 100 hotrod amplifier schematic, soldano astroverb 16 amplifier. Web these tubes will provide your soldano guitar amp with great tone for a reasonable price.

Web Decided I Had To Give This A Go.


Web a cathode follower is a tube triode that follows by the cathode instead of the plate. Web soldano tube amp schematics, hoffman amps tube amp schematic library. Getting rid off some bass and highs.

Web And The Amp Can Get Muddy, Too Much High After The Distortion Stage And The Amp Will Sound Sharp.


Ultimate overdrive (gain fairly low, bass cut maxed) in front of soldano mk2 preamp (lead channel, gain at about 1/3rd) into sansamp section of fly rig 5. Soldano slo needs no special introduction. Basically a clone of the overdrive/lead channel of the soldano slo100/slo50 preamp, with a 40w power.

It Changes The Impedance And Adds Some Compression.


This is my second amp build; That's basically what these mode are about;