Snowblower Engine Diagram

Snowblower Engine Diagram. Search our parts catalog, order parts online or contact your john deere dealer. Remove the acorn nuts that secure the carburetor to the engine.

Snowblower Engine Diagram Complete Wiring Schemas
Snowblower Engine Diagram Complete Wiring Schemas from wiring89.blogspot.com

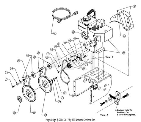
Web jack's carries a quality selection of shear pins, skid shoes, scraper blades, snowblower belts, and much more! Search our parts catalog, order parts online or contact your john deere dealer. Shown is a mtd snow blower with a tecumseh engine.

Web Hand Contact With The Rotating Impeller Inside The Discharge Chute Is The Most Common Cause Of Injury Associated With Snow Blowers.


If replacement parts are needed, refer to the panel, chute, frame, and. Web briggs & strattonĀ® snow blowers are built to withstand the toughest winter weather, but they need regular maintenance and sometimes small engine repair to reach peak. Shown is a mtd snow blower with a tecumseh engine.

Failure To Observe These Safety.


Web search for your tecumseh model. Web find parts & diagrams for your john deere equipment. We supply replacement parts for major manufacturers, including.

Remove Everything From The Carton Except The.


Parts lookup for tecumseh power equipment is. Web this video provides detailed instructions for replacing a leaking gas line on a snow blower. Click the search button to see more results.

Pull Off The Choke And Throttle Knobs.


Web jack's carries a quality selection of shear pins, skid shoes, scraper blades, snowblower belts, and much more! Web remove the engine shroud. Enter your tecumseh model number below.

Remove The Acorn Nuts That Secure The Carburetor To The Engine.


Search our parts catalog, order parts online or contact your john deere dealer.