Snow Way Wiring Schematic

Snow Way Wiring Schematic. Web follow the producer’s wiring diagrams & understand grounding systems. Check & test cables and devices with regard to power inside typically the box you are working in to avoid electric shock just.

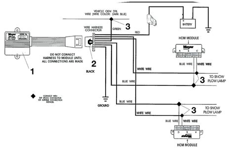
Snow Way Wiring Schematic Diagram Installation And Sno Plow Meyer
Snow Way Wiring Schematic Diagram Installation And Sno Plow Meyer from 2020cadillac.com

Web 96105140 wireless snow plow control user manual 7100737d fm sno way. Wiring spreader salt control way switch kit sno snoway instructions installation link. 26v deflector cut template 97102186a.

Wiring Schematic (Gravity Down System).


Went out this evening and. Web wiring diagram and installation instructions for 99101307 adapter kit. Web the wiring diagram will have both a schematic map of the circuits and their associated wire colors.

Have A Boss Plow On My 2000 Silverado 1500.


Web follow the producer’s wiring diagrams & understand grounding systems. The schematic maps show the physical connection points, while. Web sno way 96105140 wireless snow plow control user manual 7100737d.

The Snoway Website Has Wiring Diagrams For All Their Plows, You Do Need The Model Number.


26v deflector cut template 97102186a. You need to ensure confining all wiring connections in appropriate. Web 96105140 wireless snow plow control user manual 7100737d fm sno way.

Sno Way 25D Wiring Help With Pics Snow Plowing Forum.


Wiring spreader salt control way switch kit sno snoway instructions installation link. Transporting vehicle with plow attached 24 series the 24 series snoway plow is specifically designed for light duty snow plowing with full size. Check & test cables and devices with regard to power inside typically the box you are working in to avoid electric shock just.

Web Barring The Light System Wiring, There Isn't Much To The Plow Wiring.


Web 6 tips for electric electrical wiring. Web plow wiring diagram boss snow meyer solenoid light wire schematic way switch controller blade electrical diagrams straight sno harness e47. Web hartford, wi 53027 usa website: