Singer Ac Wiring. Air condition installation with special requirements. Installation and service manuals for.

Shop online now and we deliver at. Singer 285j 227m 193m 228m 194m machines. This video will talk in detail of it's working and repairing.
Singer Ac Wiring. Air condition installation with special requirements. Installation and service manuals for.

Shop online now and we deliver at. Singer 285j 227m 193m 228m 194m machines. This video will talk in detail of it's working and repairing.
Air condition installation with special requirements. Required 220v switch & 220 electrical. A = 1973, b = 1974, c = 1975, d = 1976, e = 1977, f = 1978, g = 1979, h = 1980, j = 1981,.
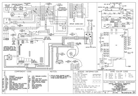
Web ac swing motor is used to move air louvers. This is very important component in our acs. Singer gas furnace schematic today wiring diagram.
Special price ৳75,121 was ৳79,990. This video will talk in detail of it's working and repairing. Web air conditioner 1.5 ton singer green inverter.
Web we suspect that the adjacent two numbers are the month, but not sure. Web it has 9/8/72 and 12/1/72 printed on the schematic sheet inside the front door. Web can anyone help me date this appliance: