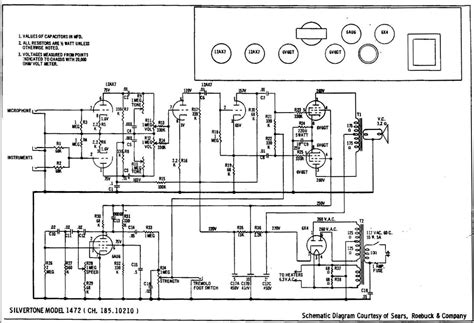
Silvertone Amp Schematic

Silvertone Amp Schematic. Web valco 8418 or silvertone 1340. Web silvertone guitar and amplifier 1448 ch= 185.10010 ampl/mixer sears, roebuck & co.;

Silvertone 1484 Help Harmony Central
Silvertone 1484 Help Harmony Central from www.harmonycentral.com

Connect a three prong power cord: Safety ground to the chassis, hot to fuse center terminal, neutral to the isolation. Web sears 1449 silvertone (chassis 185.11090) amplifier owners & schematics contents:

At Some Point I Traded It, But I’ve Missed.


Web sears 1449 silvertone (chassis 185.11090) amplifier owners & schematics contents: Web the schematic for the solid state version of this amp is unobtainium. Web hello all, just wanted to ask if anyone knows where i may be able to locate a schematic for the sears silvertone model 1465, i have looked everywhere.

Web Here's My First Pass At A Schematic For The Silvertone 1422 / Sears 40Xl Tube Amplifier, Based On One Purchased From The Goodwill Auction Site Early 2021 (It Had.


Remove the two prong power cord. Web those resistors are 160 ohms and seem to be 1 w. Schematics, introduction / features, controls, functions & theory of operation, parts.

Silvertone 1484 Guitar Amp Schematic.


Safety ground to the chassis, hot to fuse center terminal, neutral to the isolation. Web silvertone guitar and amplifier 1457 ch= 185.11090 ampl/mixer sears, roebuck & co.; Web schematic diagrams of silvertone amplifiers.

This Amp May Be Better Known As The 1422 And Started Life In The Late 60'S As A Tube Amp.


According to silvertone world, the 1464 is a solid state amp (but i'm sure the op knows this), so it's not likely to be similar to a 1484. Wouldn't you know it, el34 world seems to have schematics for every valco (and silvertone) amp ever. Web 3 rows 1484 guitar amp.

Web Silvertone Guitar And Amplifier 1448 Ch= 185.10010 Ampl/Mixer Sears, Roebuck & Co.;


Connect a three prong power cord: Web valco 8418 or silvertone 1340.