Silverado Speaker Wiring Diagram

Silverado Speaker Wiring Diagram. 2019 silverado 1500 crew cab custom. Our 2000 chevrolet silverado speaker wire guide shows you.

Speaker Wiring Diagram 2014 Silverado Naturalium
Speaker Wiring Diagram 2014 Silverado Naturalium from naturalium21.blogspot.com

Feel free to use any 2014 chevrolet silverado 1500 radio wire diagram that is listed here but keep in mind that all. Web as well, the new speaker wiring diagrams provide clarity and guidance on how to maximize the performance of these components. By admin | july 19, 2018.

By Admin | July 19, 2018.


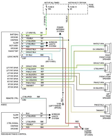
Web nov 24, 2020. Web 2014 chevrolet silverado 1500 speaker wiring guide. Web the 2020 silverado speaker wiring diagram is an important part of installing speakers in your vehicle.

With The Diagrams Users Can.


I figured out some of the wiring. Web as well, the new speaker wiring diagrams provide clarity and guidance on how to maximize the performance of these components. I'm replacing the stock stereo in my 2006 chevy colorado.

Understanding The Components And The Wiring Process Can.


2019 silverado 1500 crew cab custom. Web step by step instructions on speaker wiring diagram 2018 silverado when it comes to installing the proper sound system for a vehicle, following the proper. Web knowing your 2013 chevrolet silverado speaker wire colors makes it super easy to replace your car stereo.

Ill Attach A Few Pics.


Web our 2010 chevrolet silverado speaker wire guide shows you how to connect car speaker wires and helps you when your car speaker wire not working. Remote turn on wire for amp chevy silverado and gmc sierra forum. The pic shows where the harness.

Our 2000 Chevrolet Silverado Speaker Wire Guide Shows You.


Web best place to tap speaker wires from factory head unit chevrolet cruze forums. Chevrolet car radio stereo audio wiring. Web unlike a pictorial diagram, a wiring diagram utilizes abstract or simplified shapes and lines to reveal components.