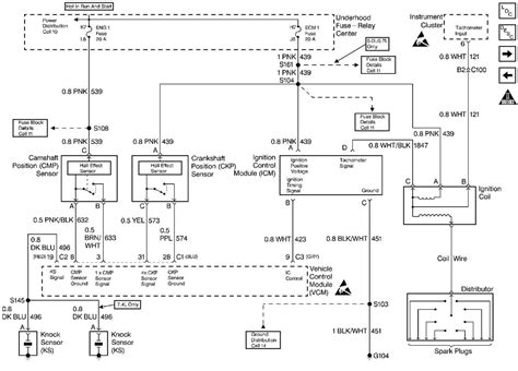
Silverado Engine Wiring Harness

Silverado Engine Wiring Harness. Web painless performance gm gen iv vortec truck engine wiring harnesses 60526. Web order chevrolet silverado 1500 auto trans wire harness online today.

07 2007 Chevy Silverado 1500 Old Style Engine Wire Wiring Harness 5.3L
07 2007 Chevy Silverado 1500 Old Style Engine Wire Wiring Harness 5.3L from www.ebay.com

This gm genuine part is designed, engineered, and tested to rigorous standards and is backed by general motors. You may need to replace the. 2.7l engine the engine wiring.

Free Same Day Store Pickup.


Opens in a new window or tab. Check out free battery charging and engine diagnostic testing while you. 2009 chevrolet silverado 1500 all submodels all engines with round connector.

You May Need To Replace The.


(4) fuse taps included warranty : Web order chevrolet silverado 1500 auto trans wire harness online today. Web silverado 1500 (new model) 2019 2019 equipped with 5.3l l82, 5.3l l84, 6.2l l87, 4.3l lv3, 2.7l l3b, or 3.0l lm2 silverado 1500 2020 2021.

2.7L Engine The Engine Wiring.


Web 08 yamaha v star xvs 650 silverado main engine wiring harness motor wire video! Web putting this engine wiring harness on your ride is easy and requires no drilling.warranty. This gm genuine part is designed, engineered, and tested to rigorous standards and is backed by general motors.

Web Gm Has Issued A Service Update For Certain 2022 Model Year Chevy Silverado 1500 And Chevy Silverado 1500 Limited Models Over A Wiring Issue.


Web this gm genuine part is designed, engineered, and tested to rigorous standards and is backed by general motors. Web painless performance gm gen iv vortec truck engine wiring harnesses 60526. The best part is, our chevrolet silverado 1500.

The Best Part Is, Our Chevrolet Silverado 1500 Engine.


Web get the best deals on an aftermarket 2008 chevrolet silverado engine wiring harness. Web here’s a summary of some of the engine wiring harness conditions that may be found.