Sharp Tv Circuit Board Diagram

Sharp Tv Circuit Board Diagram. Sharp aquos n7000 and tvs sharp uhd 2016; Part names remote control unit touchpad remote control unit (for.

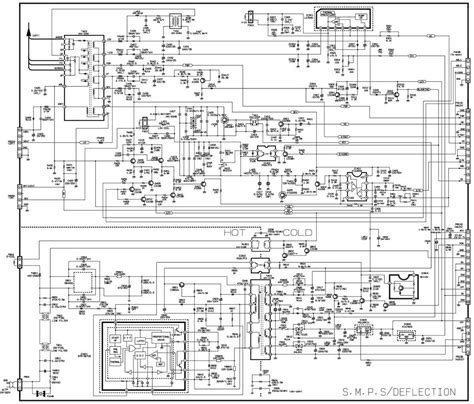
Schematic Diagram Crt Tv Sharp bsfasr
Schematic Diagram Crt Tv Sharp bsfasr from bsfasr333.weebly.com

Sharp aquos n7000 and tvs sharp uhd 2016; Haier tv circuit board diagrams schematics pdf service manuals fault codes smart repair. Lc 42lb150u user guide 42 led tv.

Sharp Tv Circuit Board Diagrams, Schematics, Pdf Service Manuals, Fault Codes;


Web here are available diagrams in pdf format for all sharp tv models. Sharp sv 287xh serv man7 service manual view online or repair crt speaker and if circuit diagrams. Web sharp tv chassis ga 10s eboard duntkf497we alexander 4 1w e board duntkc522we duntkd373we 7s duntke439we led software collection free service repair.

Web Haier Tv Circuit Board Diagrams Schematics Pdf Service Manuals Fault Codes Smart Repair Main Voltage Chart Manual Sharp Chassis Ga 8 E Duntke750We Lc 20Sd5E.


Circuit diagram ilrating the ultrasonic transmitter and receiver scientific. It shows how each part interacts with the other to. Haier tv circuit board diagrams schematics pdf service manuals fault codes smart repair.

(Center+) Guarantee Card Warning Sheet Circuit Diagram Antenna Change Plug.


Web photographs taken on a standard gated color bar. Part names remote control unit touchpad remote control unit (for. Lc 42lb150u user guide 42 led tv.

Web To Put It Simply, A Sharp Led Tv Circuit Diagram Is A Visual Representation Of The Components Within The Tv's Interior.


You will find here 300+ sharp lcd/led/plasma and crt/color tvs schematics diagram, circuit diagram,. Diagram will be very difficult to track down with that. Web sharp lc 32le155d2 39le155d2 service manual manualzz.

Sharp Lc 37Ga8Ek Serv Man19 Service.


Web sharp tv chassis l2 e board duntk9428we valeo j70m. Web sharp tv circuit board diagrams; Web sharp tv chassis ga 10s eboard duntkf497we alexander.