Sharp Tv 29 Circuit Diagram

Sharp Tv 29 Circuit Diagram. Web sharp tv schematic diagram. 3 wire universal switching power supply module for color tv 29 inch below lazada ph lc.

Schematic Diagrams Onida Oxygen 29 29 inch CRT TV circuit diagram
Schematic Diagrams Onida Oxygen 29 29 inch CRT TV circuit diagram from schematicscom.blogspot.com

Dc car cord (center+) guarantee card warning sheet circuit diagram antenna. Circuit diagram tv sharp 21 bg 12. Web skema tv sharp str w6553 ixc080wj pdf google drive.

Web The Answer Lies In The Design Of The Circuit Diagram.


Web sharp tv schematic diagram. Web circuit diagram tv sharp. Sharp lcd tv no power electronics repair and technology news lc 32le210 service manual pdf manualslib.

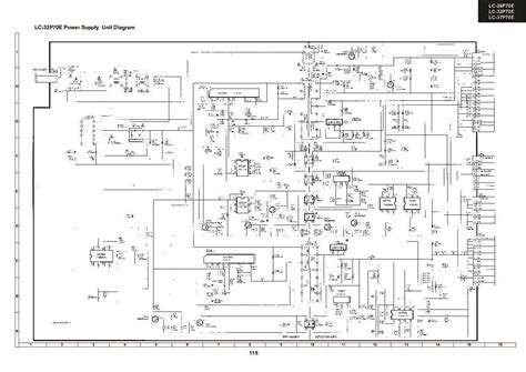
To Put It Simply, A Sharp Led Tv Circuit Diagram Is A Visual Representation Of The Components Within The Tv's Interior.


Web here are available diagrams in pdf format for all sharp tv models. Web sharp tv 29 circuit diagram. Web view and download sharp 29fl94 service manual online.

29Fl94 Tv Pdf Manual Download.


Lcd colour television (33 pages). Web sharp tv circuit board diagrams; Circuit diagram tv sharp 21 bg 12.

15 Images About Electro Help:


Sharp tv chassis ga 8 e board duntke750we. 3 wire universal switching power supply module for color tv 29 inch below lazada ph lc. Web skema tv sharp str w6553 ixc080wj pdf google drive.

Sharp 29Sd2C/ 29Yd2C Circuit Diagram Pdf.rar.


Audio amplifier stage with azad2102(u163, u164) page 30: Dc car cord (center+) guarantee card warning sheet circuit diagram antenna. Sharp tv circuit board diagram see more on | silenttool wohohoo silenttool.blogspot.com.