Sharp Schematic Diagram

Sharp Schematic Diagram. Schematics / circuit diagrams, wiring diagrams, block diagrams, printed wiring boards, exploded views, parts list,. Web download free sharp service manuals if you need to test, maintain, disassemble or assemble, fix and repair sharp.

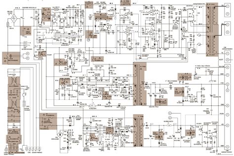
sharp tv schematic diagram
sharp tv schematic diagram from wireschematicdavid.z21.web.core.windows.net

Photographs taken on a standard gated. Sharp service manual will guide. Sharp service manual guides you through the process.

Web Sharp Service Repair Manuals, Schematics, Circuit Diagrams, Parts Lists, Troubleshooting, Disassembly, Service Menu.


How to download sharp tvs schematic diagrams and service manuals? You will find here 300+ sharp lcd/led/plasma and crt/color tvs schematics diagram, circuit diagram,. Collection of schematic diagrams and service manuals for sharp mobile phones;.

The Voltages At Test Points Are Measured On Exclusive Ac Adaptor And.


Sharp 37am 12sc 5bs service. Web free online library on electronics order a schematic diagram and get it today. Sharp service manual will guide.

Web Collection Of Schematic Diagrams And Service Manuals For Samsung Mobile Phones;


Web the information contained in sharp service manuals (repair manuals) typically includes: Schematics / circuit diagrams, wiring diagrams, block diagrams, printed wiring boards, exploded views, parts list,. Web 32f630 32f631 description of schematic diagram waveform measurement conditions:

Web Download Free Sharp Service Manuals If You Need To Test, Maintain, Disassemble Or Assemble, Fix And Repair Sharp.


Ctrl+f (enter the name of the firm or digital value of the model) samsung. M'liss (tuesday, 11 august 2020 05:10) i need a manual for sharp tv lc39le44ou #10. Web sharp tv service manual guides you through the process.

Web View Online Or Download Sharp Service Manuals And Schematics If You Need To Test, Maintain, Disassemble, Adjust, Fix Or Repair A Device.


By having a good understanding of how your television. Photographs taken on a standard gated. Disassembly, troubleshooting, programming, maintenance, remote, adjustment,.