Sharp Refrigerator Wiring Diagram

Sharp Refrigerator Wiring Diagram. It will also explain how to wire the. Web before • using your sharp refrigerator, please read this operation • manual to ensure that you gain the maximum benefit from it.

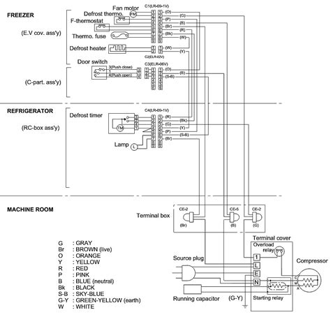
SHARP SJ58LM SJ63LM SJ68LM REFRIGERATORFREEZER Wiring Diagram
SHARP SJ58LM SJ63LM SJ68LM REFRIGERATORFREEZER Wiring Diagram from electronicshelponline.blogspot.com

Web the components of a refrigerator's electrical circuit diagram. 2m followers hvac air conditioning. Web in this video we can learn very in very easy method to do connection of refrigerator for more information about freeze wiring just watch and learnfridge wir.

When Thinking About The Wiring Diagram Of A Refrigerator, There Are Several Main Components.


Web b) inside the fridge or freezer section, near the bottom. Web web wiring diagram for sharp refrigerator. 2m followers hvac air conditioning.

If The Refrigerator Is Used At Colder Temperatures, The Refrigerator Will Not Be.


You may have to remove a crisper drawer to see it. Web wiring diagram be sure to replace the electrical parts with specified ones for maintaining the safety and performance of the set. Web i saw in the video what equipment is inside the fridge and how it is collected, from now on you can easily do wiring inside the fridge and if there is any pr.

Web In This Video We Can Learn Very In Very Easy Method To Do Connection Of Refrigerator For More Information About Freeze Wiring Just Watch And Learnfridge Wir.


Web domestic refrigerator wiring. It will also explain how to wire the. C) remove the kickplate and look along the condenser air openings.

Web This Video Making For Learning Ac Repairing Work For New Technician And For Helping About This Video This Video In Learn Sharp Fridge Wiring Diagram Learn Ho.


Web before • using your sharp refrigerator, please read this operation • manual to ensure that you gain the maximum benefit from it. Web the components of a refrigerator's electrical circuit diagram. Web terminal 1gain power from the blue line through the defrost heater while terminal 3 connected to terminal 4 to compressor.when the terminal 3 connected to terminal 2 in.

Visit The Post For More.