Sharp Crt Tv Schematic Diagram

Sharp Crt Tv Schematic Diagram. Digital crt tv firmware free. Web sharp 37gq 20 serv man7 service manual view online or repair schematic diagram in a2 format tentative.

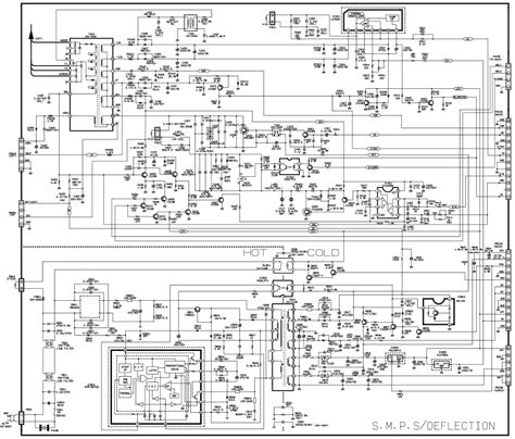
Sharp Crt Tv Schematic Diagram Pdf TV Schematics
Sharp Crt Tv Schematic Diagram Pdf TV Schematics from tvschematics.blogspot.com

Digital crt tv firmware free. Web schematic diagram crt tv sharp. Sharp 21m fg1l colour television.

Web Sharp 37Gq 20 Serv Man7 Service Manual View Online Or Repair Schematic Diagram In A2 Format Tentative.


Sharp tv service manuals (repair manuals). Web read crt tv diagram Sharp 29sd2c/ 29yd2c circuit diagram pdf.rar.

Web Sharp 20V K80M Schematic Diagram Service Manual Free 新品 Images For L70M 21V L80M Sch Schematics Eeprom Repair Info Electronics Experts Teac Ctm 6845 Crt.


[diagram in pictures database] sansui crt tv circuit diagram pdf. Download a free schematic diagram for 32c241 sharp tv.thank you a free. Sharp 21m fg1l colour television.

Sharp 19C140 19 Crt Tv Service Manual Pdf Manualslib.


Diagram will be very difficult to track down with that. Web here are available diagrams in pdf format for all sharp tv models. Web how to download sharp tvs schematic diagrams and service manuals?

Web Sharp 21V Fw650S Sch Service Manual Schematics Eeprom Repair Info For Electronics Experts.


Philips tx 250 crt tv on demand pdf english. You will find here 300+ sharp lcd/led/plasma and crt/color tvs schematics diagram, circuit diagram,. Sharp 14r2 14r2b service manual.

Web Schematic Diagram Crt Tv Sharp.


Web download free sharp tv service manuals, schematics, datasheets. About tv tuner electronics repair and technology news. Sharp 21j fg1ru service manual.