Security Camera Switcher Circuit Diagram

Security Camera Switcher Circuit Diagram. Web ip security camera wiring diagram. Rg59 siamese coax cable wiring eyestowardethipia.blogspot.com.

Practical Setup Examples to Build Your PTZ Camera Network B&H eXplora
Practical Setup Examples to Build Your PTZ Camera Network B&H eXplora from www.bhphotovideo.com

Rg59 siamese coax cable wiring eyestowardethipia.blogspot.com. The cctv diagram provides video cameras placement strategy. Web the video switcher described here can display the output of two, three, or four cameras on a single monitor.

It Can Help You Troubleshoot Problems And Make Sure All The.


The cctv diagram provides video cameras placement strategy. Web install sockets on the wall or any other platform. A power adapter is one of the easiest.

The Pir Sensor Typically Operates At 5V, So We Are Using A Positive Voltage Regulator Ic 7805, Which Will Give 5V Output To Feed The Sensor.


Web 5 wire security camera wiring diagram : Results page 282 about receiver circuit diagram searching circuits at next gr. Web audio signals can be used as an input form to control any security system.

Web Hdmi Ahd Monitor Camera Connect Output Dvr Cctv Bnc Converter 1080P Tv Network 720P Loop Vga Split.


The last circuit was added on saturday, january 28, 2023.please note some adblockers will suppress the schematics as well as. Web switcher useful diagram circuits yet simple projects circuit electronic. Web a security camera circuit board diagram is a great tool for both novice and seasoned professionals.

Web Click Here For All Circuit Diagrams.


For example, an automatic security camera can be configured to respond to a knock on. Rg59 siamese coax cable wiring eyestowardethipia.blogspot.com. Web switcher useful diagram circuits yet simple projects circuit electronic.

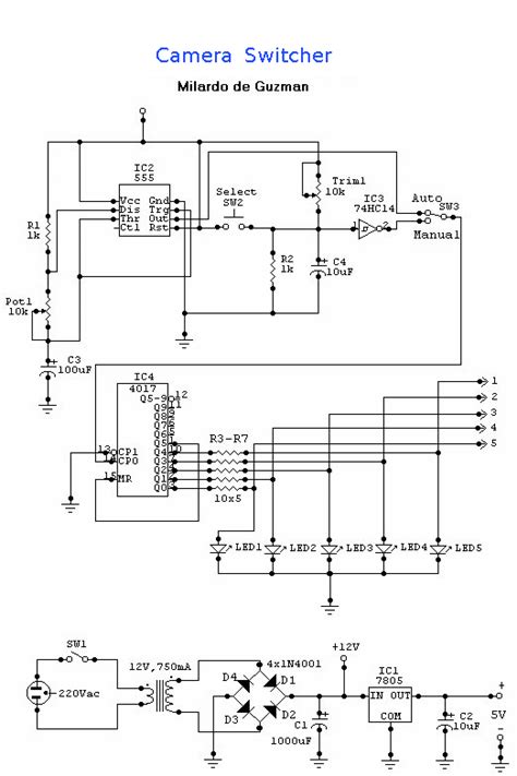
Web The Video Switcher Described Here Can Display The Output Of Two, Three, Or Four Cameras On A Single Monitor.


Here is the schematic diagram of the circuit: The 8 pins and conductors each connect to the 8. Web to display 1, 2, 3, or 4 cameras in one monitor, you need a video switcher circuit.